Вопрос по FT-7900
					Правила форума
Провокация конфликта - предупреждение.
Ответ на провокацию - предупреждение.
Не одумались - обоим БАН на месяц.
Новая провокация - прощаемся. Невзирая.
	Провокация конфликта - предупреждение.
Ответ на провокацию - предупреждение.
Не одумались - обоим БАН на месяц.
Новая провокация - прощаемся. Невзирая.
- Завхоз
- 100 Вт
- Сообщения: 987
- Зарегистрирован: 05 сен 2012, 15:29
- Имя: Дмитрий
- CB: MJ600
- Ант. CB: гибрид
- Позывной: Завхоз
- Авто: gx
- Откуда: Кировский
- Контактная информация:
Re: Вопрос по FT-7900
вот нашёл: Радиостанция FT-7900 практически аналогична FT-7800, и отличается только режимом "Только память" и максимальной мощностью в частотах 430-450 МГц - увеличена на 5 Вт.Таймыр писал(а):в чем принципиальная разница между 7900 и 7800?
- Таймыр
- 100 Вт
- Сообщения: 997
- Зарегистрирован: 29 сен 2011, 17:16
- Имя: Юрий
- CB: MJ-555
- Ант. CB: Lemm 2000 Turbo
- Позывной: Таймыр
- р/л позывной: UB9OCK
- Откуда: Новосибирск, Академ
- Поблагодарили: 1 раз
- Контактная информация:
Re: Вопрос по FT-7900
Спасибо... но как я себе уже представил, скорее всего станция мне уже не подходит..fantom писал(а):вот нашёл: Радиостанция FT-7900 практически аналогична FT-7800, и отличается только режимом "Только память" и максимальной мощностью в частотах 430-450 МГц - увеличена на 5 Вт.Таймыр писал(а):в чем принципиальная разница между 7900 и 7800?

+7-952-912-58-пятьвосемь
						- 
				Рыжий
Re: Вопрос по FT-7900
Извиняюсь перед ТС, но как я понимаю, тема больше не актуальна.....
И у меня вопросик появился к владельцам 7900й.
Подключена напрямую к аккумулятору, но при запуске движки, выключается и включается снова. Стоящая рядом Алинка на заводку никак не реагирует.
У кого такое есть? Просто мысли мож это косяк какой (так сдать пока не поздно) или она так чутко реагирует на падение напряжения?
			
			
									
						И у меня вопросик появился к владельцам 7900й.
Подключена напрямую к аккумулятору, но при запуске движки, выключается и включается снова. Стоящая рядом Алинка на заводку никак не реагирует.
У кого такое есть? Просто мысли мож это косяк какой (так сдать пока не поздно) или она так чутко реагирует на падение напряжения?
- 
				Прибой
Re: Вопрос по FT-7900
У меня на 7800 нет такого эффекта. Запитано напрямую от аккума. 4 квадрата до разветвителя, затем по 2,5 квадрата на СиБи и на УКВ.
			
			
									
						- 
				Прибой
Re: Вопрос по FT-7900
Рыжий, может фильтр на питание? Или посмотреть что у тебя там за импульсы скачут во время запуска?
			
			
									
						- 
				Скорпион
- 
				Рыжий
Re: Вопрос по FT-7900
бум исследовать. Ферритиков нада.Прибой писал(а):может фильтр на питание? Или посмотреть что у тебя там за импульсы скачут во время запуска?
да вроде нормальный... крутит хорошо. Просадку не мерил.Скорпион писал(а):Аккумулятор нормальный? Просадка сколько во время старта?
Алинка то не реагирует, правда у нее нижний порог по питанию выставлен 10 вольт
- 
				533-гранит
- 5 кВт
- Сообщения: 9812
- Зарегистрирован: 11 мар 2011, 23:56
- Имя: Огого
- Позывной: Гранит
- Поблагодарили: 6 раз
Re: Вопрос по FT-7900
 Есть "музычка", а так же фильтры питания для такой музычки о трёх проводах
  Есть "музычка", а так же фильтры питания для такой музычки о трёх проводах  Черный толстый (ясен пень) это масса-минус. Желтый толстый (предохр 10А) подключается к акуму напрямую. Красный потоньше!!! идет к замку зажигания....И если ключ на старт то "музычка" гаснет
  Черный толстый (ясен пень) это масса-минус. Желтый толстый (предохр 10А) подключается к акуму напрямую. Красный потоньше!!! идет к замку зажигания....И если ключ на старт то "музычка" гаснет  Это штатный режим.
  Это штатный режим.Вот если радейка подключена только двумя проводами, тогда да...Может хитрые японци поставили защиту от "дребезга" в питании

- 
				Рыжий
Re: Вопрос по FT-7900
Дим, ты че  каки в .... желтые провода. от кумулятора идут по 4 кв на алинку и яску и 6 кв на пусилятор. масса на болте, см 20 до радейки не больше.
  каки в .... желтые провода. от кумулятора идут по 4 кв на алинку и яску и 6 кв на пусилятор. масса на болте, см 20 до радейки не больше.
			
			
									
						 каки в .... желтые провода. от кумулятора идут по 4 кв на алинку и яску и 6 кв на пусилятор. масса на болте, см 20 до радейки не больше.
  каки в .... желтые провода. от кумулятора идут по 4 кв на алинку и яску и 6 кв на пусилятор. масса на болте, см 20 до радейки не больше.- 
				533-гранит
- 5 кВт
- Сообщения: 9812
- Зарегистрирован: 11 мар 2011, 23:56
- Имя: Огого
- Позывной: Гранит
- Поблагодарили: 6 раз
Re: Вопрос по FT-7900
Минус/масса идет от аккума?Рыжий писал(а):-------- от кумулятора идут ----- масса на болте, см 20 до радейки
 А то мож у тебя масса на аккумуляторе отвалилась и все идет через двигатель. И еще раз намекну, мож то хитрые японци защиту сделали от "блыканий в розетке"
  А то мож у тебя масса на аккумуляторе отвалилась и все идет через двигатель. И еще раз намекну, мож то хитрые японци защиту сделали от "блыканий в розетке" 
- 
				Рыжий
Re: Вопрос по FT-7900
еще вопросик  
 
вот седня завтра ягу буду проверять а анализатора нету 
 
собственно вопрос - есть ли в ft-7900 защита по КСВ???
может кто схемки ее копал?
в инете ответов нет....
			
			
									
						 
 вот седня завтра ягу буду проверять а анализатора нету
 
 собственно вопрос - есть ли в ft-7900 защита по КСВ???
может кто схемки ее копал?
в инете ответов нет....
- 
				Скорпион
Re: Вопрос по FT-7900
Да у всех этих аппаратов есть защиты все. Этож не мегаджет всё такиРыжий писал(а):есть ли в ft-7900 защита по КСВ???

- 
				Рыжий
Re: Вопрос по FT-7900
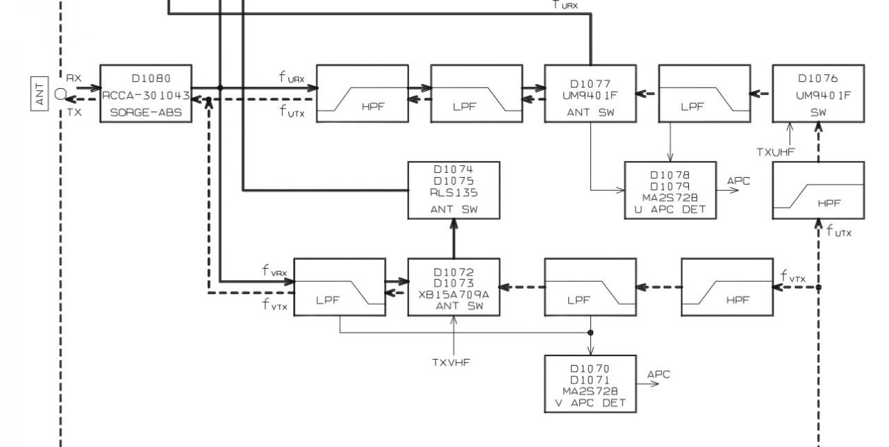
вот гляньте
можно ченить сказать про наличие защиты?
а то я тока сопротивлюху баальшую на схеме понимаю
Добавлено спустя 1 час 12 минут 25 секунд:
ну вы че 
 
спалю яску на фиг. Всем паяльникам предъяву предъявлю
Добавлено спустя 52 секунды:
			
			
									
						можно ченить сказать про наличие защиты?
а то я тока сопротивлюху баальшую на схеме понимаю

Добавлено спустя 1 час 12 минут 25 секунд:
ну вы че
 
 спалю яску на фиг. Всем паяльникам предъяву предъявлю

Добавлено спустя 52 секунды:
а тебе особенноСкорпион писал(а):Да у всех этих аппаратов есть защиты все.

- 
				Скорпион
Re: Вопрос по FT-7900
Это блок-схема. Принципиальную давай!
Добавлено спустя 28 секунд:
Ещё бы фото выложил
			
			
									
						Добавлено спустя 28 секунд:
Ещё бы фото выложил

- 
				533-гранит
- 5 кВт
- Сообщения: 9812
- Зарегистрирован: 11 мар 2011, 23:56
- Имя: Огого
- Позывной: Гранит
- Поблагодарили: 6 раз
Re: Вопрос по FT-7900
Мне думается, что ёська при завышенном КСВ, сбрасывает мощность на 50% как минимум, а то может и на самую маленькую переводит.
			
			
									
						- 
				Рыжий
Re: Вопрос по FT-7900
Это блок-схема. Принципиальную давай!
Добавлено спустя 28 секунд:
Ещё бы фото выложил
на, получай
и не умничай
			
							Добавлено спустя 28 секунд:
Ещё бы фото выложил
на, получай

и не умничай

- Вложения
- 
			
		
		
				- FT-7900R_SM.pdf
- (4.25 МБ) 442 скачивания
 
- 
				Скорпион
Re: Вопрос по FT-7900
Да защищена она! Проверяется легко. Ставим КСВ метр и смотрим показания мощности при разных антеннах. При этом мощность на трансивере должна быть одинаковой в настройках. Можно ещё ток потребляемый проконтролировать-если уменьшается при повышенном КСВ, значит ограничивает ток выходного каскада. 
Может ошибаюсь, но по-моему так оно и выглядит.
			
			
									
						Может ошибаюсь, но по-моему так оно и выглядит.
Кто сейчас на конференции
Сейчас этот форум просматривают: нет зарегистрированных пользователей и 3 гостя


.jpg)
.jpg)
