программирование микроконтроллеров

Тем, кому Си-Би мало

Модераторы: Реалист, Pooh Lee

Правила форума
Провокация конфликта - предупреждение.
Ответ на провокацию - предупреждение.
Не одумались - обоим БАН на месяц.
Новая провокация - прощаемся. Невзирая.
Аватара пользователя
Моряк
Оргкомитет
Сообщения: 1653
Зарегистрирован: 19 ноя 2010, 14:37
Имя: Сергей
CB: MJ 550
Ант. CB: Lemm AT-2001 Turbo
Позывной: Моряк
р/л позывной: R8OAS
Контактная информация:

программирование микроконтроллеров

Сообщение Моряк » 22 апр 2013, 18:48

собственно вопрос в названии темы, кто сталкивался с этим, и кто умеет писать программы ))) есть мысли по "прикручиванию" их к разным ништякам. ATTiny

Аватара пользователя
Зануда
5 кВт
Сообщения: 5116
Зарегистрирован: 23 янв 2012, 09:34
Имя: Андрей
CB: Yosan Excalibur
Ант. CB: LEMM Turbo 2001
Позывной: Зануда
р/л позывной: UB9OBQ
Откуда: Новосибирск
Благодарил (а): 1 раз
Поблагодарили: 1 раз
Контактная информация:

Re: программирование микроконтроллеров

Сообщение Зануда » 22 апр 2013, 18:56

Если не срочно, то после возвращения моего можем состыковаться.

Добавлено спустя 42 секунды:
Средства, опыт программирования и автоматизации, а также отладки - какие-никакие, имеются :smu:sche_nie:
Обожаю слушать ложь, когда знаю правду.
Занудой можешь ты не быть, но скрупулезным быть обязан! ©

Аватара пользователя
Моряк
Оргкомитет
Сообщения: 1653
Зарегистрирован: 19 ноя 2010, 14:37
Имя: Сергей
CB: MJ 550
Ант. CB: Lemm AT-2001 Turbo
Позывной: Моряк
р/л позывной: R8OAS
Контактная информация:

Re: программирование микроконтроллеров

Сообщение Моряк » 22 апр 2013, 18:58

Зануда писал(а):то после возвращения моего можем состыковаться.
когда вернешься ?

Аватара пользователя
Зануда
5 кВт
Сообщения: 5116
Зарегистрирован: 23 янв 2012, 09:34
Имя: Андрей
CB: Yosan Excalibur
Ант. CB: LEMM Turbo 2001
Позывной: Зануда
р/л позывной: UB9OBQ
Откуда: Новосибирск
Благодарил (а): 1 раз
Поблагодарили: 1 раз
Контактная информация:

Re: программирование микроконтроллеров

Сообщение Зануда » 22 апр 2013, 18:59

сначала 6.05 на три дня, потом - "окончательно" - с 14 мая на работу выхожу.
Обожаю слушать ложь, когда знаю правду.
Занудой можешь ты не быть, но скрупулезным быть обязан! ©

Аватара пользователя
Моряк
Оргкомитет
Сообщения: 1653
Зарегистрирован: 19 ноя 2010, 14:37
Имя: Сергей
CB: MJ 550
Ант. CB: Lemm AT-2001 Turbo
Позывной: Моряк
р/л позывной: R8OAS
Контактная информация:

Re: программирование микроконтроллеров

Сообщение Моряк » 22 апр 2013, 19:09

ну может среди нас еще есть программеры контроллеров ?

Муравей

Re: программирование микроконтроллеров

Сообщение Муравей » 23 апр 2013, 15:46

Мне приходилось разок... Справился. Правда ни програматора, ни отладочной платы нет :smu:sche_nie: Проект бы увидеть, было бы понятнее потяну или нет :nez-nayu:

Рыжий

Re: программирование микроконтроллеров

Сообщение Рыжий » 23 апр 2013, 15:56

Моряк писал(а):ну может среди нас еще есть программеры контроллеров ?
ну было лет так надцать назад. Смотреть\говорить надо. Документацию на чип тож нада.
Муравей писал(а):ни програматора, ни отладочной платы нет
аналогично

Аватара пользователя
Зануда
5 кВт
Сообщения: 5116
Зарегистрирован: 23 янв 2012, 09:34
Имя: Андрей
CB: Yosan Excalibur
Ант. CB: LEMM Turbo 2001
Позывной: Зануда
р/л позывной: UB9OBQ
Откуда: Новосибирск
Благодарил (а): 1 раз
Поблагодарили: 1 раз
Контактная информация:

Re: программирование микроконтроллеров

Сообщение Зануда » 23 апр 2013, 16:03

доку можно найти на атмеле. Без проблем. Но в данном случае скорее смотреть сводную таблицу и по ней выбирать кристалл. Но еще неплохо оглянуться на то, что есть в Нских гамазинах, потому как тини у нас почему-то некоторые дороже, чем меги.
Обожаю слушать ложь, когда знаю правду.
Занудой можешь ты не быть, но скрупулезным быть обязан! ©

Аватара пользователя
Моряк
Оргкомитет
Сообщения: 1653
Зарегистрирован: 19 ноя 2010, 14:37
Имя: Сергей
CB: MJ 550
Ант. CB: Lemm AT-2001 Turbo
Позывной: Моряк
р/л позывной: R8OAS
Контактная информация:

Re: программирование микроконтроллеров

Сообщение Моряк » 23 апр 2013, 17:27

ну проект разминочный есть, сразу скажу, надо на ATTiny 13 делать, т.к есть еще и не очень разминочный ( она туда вроде как подходит ), разминочный думаю , что для сибири пригодится. ну или радивалюбителям каким ))) не очень разминочный больше нужен мне , хотя область применения его это авто, а они у нас вроде как есть :du_ma_et: а то вот уже несколько раз читал на форуме, не едит субару и все тут :nez-nayu:

Муравей

Re: программирование микроконтроллеров

Сообщение Муравей » 23 апр 2013, 17:30

А можно хотя бы в лс подробности?

Аватара пользователя
Моряк
Оргкомитет
Сообщения: 1653
Зарегистрирован: 19 ноя 2010, 14:37
Имя: Сергей
CB: MJ 550
Ант. CB: Lemm AT-2001 Turbo
Позывной: Моряк
р/л позывной: R8OAS
Контактная информация:

Re: программирование микроконтроллеров

Сообщение Моряк » 23 апр 2013, 17:48

Муравей писал(а):А можно хотя бы в лс подробности?
ну зачем в ЛС то ? тему тогда зачем заводили ? сейчас подкорректирую маленько схему и выложу

Добавлено спустя 12 минут 15 секунд:
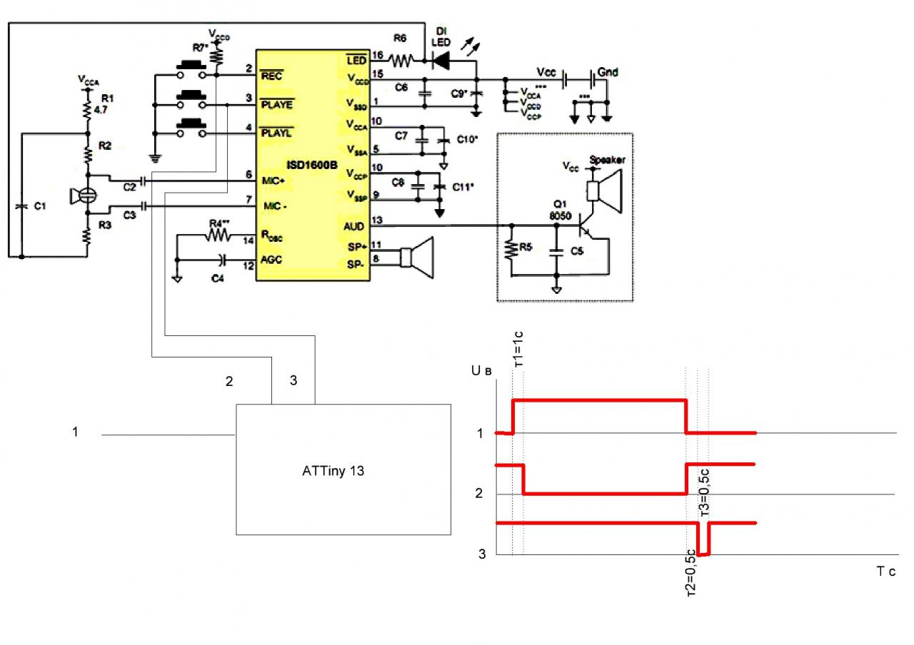
проект разминочный.
схема управления цифрового диктофона, для реализации на безе его функции эхорепитера :ps_ih: во задвинул :hi_hi_hi:

Добавлено спустя 4 минуты 44 секунды:
пояснения,
2 проиходит если есть 1 с задержкой 1 с, чтобы исключить ложные срабатывания
3 происходит если было 2
из схемывидно , порты МК 2,3 подтянуты к +, следовательно, чтобы все работало, они должны "уметь" падать на землю.
ну вот, собственно в этом и есть разминка, а то 533 будет нормальный эхо репитер к змею цеплять , а вдруг погода не летная =-O
Вложения
управление.JPG

Муравей

Re: программирование микроконтроллеров

Сообщение Муравей » 23 апр 2013, 17:53

Хм... А может немножечко не так? Давай сделаем регулировку длительности Т1 при помощи переменного резистора и конденсатора? Аналоговый компаратор в микрухе есть...

Аватара пользователя
Моряк
Оргкомитет
Сообщения: 1653
Зарегистрирован: 19 ноя 2010, 14:37
Имя: Сергей
CB: MJ 550
Ант. CB: Lemm AT-2001 Turbo
Позывной: Моряк
р/л позывной: R8OAS
Контактная информация:

Re: программирование микроконтроллеров

Сообщение Моряк » 23 апр 2013, 17:59

Муравей писал(а):Давай сделаем регулировку длительности Т1 при помощи переменного резистора и конденсатора
а смысл в дополнительных элементах ? если " мозг " мк запрограммированный мозгом программиста это способен сделать ? )) на порту 1 и так будет RC цепочка для устранения эффекта феддинга

Муравей

Re: программирование микроконтроллеров

Сообщение Муравей » 23 апр 2013, 21:16

Моряк, ну это только предложение. Можно и так. Только возможности "подкрутить" не будет. А так и возможность есть и куска кода нет :hi_hi_hi: Хотя ты прав, тогда совсем скучно можно и без МК. Вобщем такую штуку можно запрограммить... Только программатора нету )))

Аватара пользователя
Моряк
Оргкомитет
Сообщения: 1653
Зарегистрирован: 19 ноя 2010, 14:37
Имя: Сергей
CB: MJ 550
Ант. CB: Lemm AT-2001 Turbo
Позывной: Моряк
р/л позывной: R8OAS
Контактная информация:

Re: программирование микроконтроллеров

Сообщение Моряк » 23 апр 2013, 21:55

Муравей писал(а): Только программатора нету )))
ну это тоже надо решить общими усилиями, соберем поди ))
Муравей писал(а):Только возможности "подкрутить" не будет
а это уже и не надо подкручивать, опытным путем давно проверенно ))

Аватара пользователя
oka275
100 мВт
Сообщения: 50
Зарегистрирован: 18 июл 2012, 22:47
Имя: Алексей
CB: MAYCOM EM-27
Ант. CB: ML-145
Авто: OKA
Откуда: Новосибирск
Контактная информация:

Re: программирование микроконтроллеров

Сообщение oka275 » 24 апр 2013, 06:21

Еще актуально? Вечером мог бы готовый чип отдать.

БРУСОК

Re: программирование микроконтроллеров

Сообщение БРУСОК » 24 апр 2013, 07:22

Есть программатор sterh st-010 пойдёт или нет? Мог-бы дать по пользоваться сам не пробовал программировать уже 2 года висит у меня на балансе и списать не могу!

Аватара пользователя
Моряк
Оргкомитет
Сообщения: 1653
Зарегистрирован: 19 ноя 2010, 14:37
Имя: Сергей
CB: MJ 550
Ант. CB: Lemm AT-2001 Turbo
Позывной: Моряк
р/л позывной: R8OAS
Контактная информация:

Re: программирование микроконтроллеров

Сообщение Моряк » 24 апр 2013, 08:30

oka275 писал(а):Еще актуально? Вечером мог бы готовый чип отдать.
конечно актуально !!!, так глядишь и успеем уже готовую штуковину на змее запустить в сибирский полевой день )))

Добавлено спустя 4 минуты 55 секунд:
БРУСОК писал(а):Есть программатор sterh st-010 пойдёт или нет?
похоже это то , что нужно !!!

Аватара пользователя
oka275
100 мВт
Сообщения: 50
Зарегистрирован: 18 июл 2012, 22:47
Имя: Алексей
CB: MAYCOM EM-27
Ант. CB: ML-145
Авто: OKA
Откуда: Новосибирск
Контактная информация:

Re: программирование микроконтроллеров

Сообщение oka275 » 24 апр 2013, 08:37

Ребята, да какой там программатор - достаточно 5 проводков в минимальной конфигурации. Перцы покруче собирают уже на преобразователе USB>COM, но принцип тот же.

Моряк, как я понял микросхема ISD16ХХB умеет писать до 40 секунд при самом экономном потоке. Значит ли это, что время записи необходимо будет ограничить данным временем, а PLAY включать после того, как на 1 упадет в "лог 0" (отпустили передачу) ?

И еще момент - МК, на выводе №3, логическим нулем в течение 500мс активирует PLAY. А кто будет управлять передачей??? Или все продумано и мне не стоит плодить сущностей?

Аватара пользователя
Моряк
Оргкомитет
Сообщения: 1653
Зарегистрирован: 19 ноя 2010, 14:37
Имя: Сергей
CB: MJ 550
Ант. CB: Lemm AT-2001 Turbo
Позывной: Моряк
р/л позывной: R8OAS
Контактная информация:

Re: программирование микроконтроллеров

Сообщение Моряк » 24 апр 2013, 09:05

oka275 писал(а):Ребята, да какой там программатор - достаточно 5 проводков в минимальной конфигурации
для этого надо иметь настоящий LPT порт, на современных компах его не найти
oka275 писал(а):Моряк, как я понял микросхема ISD16ХХB умеет писать до 40 секунд при самом экономном потоке. Значит ли это, что время записи необходимо будет ограничить данным временем, а PLAY включать после того, как на 1 упадет в "лог 0" (отпустили передачу) ?
при данном потоке человеческую речь почти не разобрать, поэтому время записи 20 сек, по факту сообщения могут быть и короче, следовательно включение PLAY тоже необходимо организовать по факту окончания записи, 2 в положение "1" 0,5 сек паузы и 3 падает на "0" на 0,5 сек
oka275 писал(а):И еще момент - МК, на выводе №3, логическим нулем в течение 500мс активирует PLAY. А кто будет управлять передачей??? Или все продумано и мне не стоит плодить сущностей?
это в зависимости от рации, в нашем случает будет транзисторный ключь , который будет садить на на землю через сопротивление 1 к цепь PTT, т.е еще будет для этого взят сигнал с ноги ISD16ХХB, ну как-то так ))

Добавлено спустя 4 минуты 28 секунд:
да, думаю органичить время записи надо , вроде так логичней получается

Ответить

Кто сейчас на конференции

Сейчас этот форум просматривают: нет зарегистрированных пользователей и 2 гостя